Ga direct naar de hoofdinhoud
Dé Hang- & Sluitwerk Specialist
SKG Gekeurd Veiligheidsbeslag
Kwaliteit Hang- & Sluitwerk
Betaal Veilig met iDeal
Klantenservice bereikbaar van 9.00 tot 17:00uur
....Vjjtrew....................................
Home
Contact
FAQ
Blog
Alles over de 17x10mm Ladegeleider
Balkontafelscharnier
Deurbeslag met SKG®-keurmerk: De Onmisbare Bescherming voor uw Woning
De Flexibele Stalen Tafelpoot om zelf in te korten
De Dwarsmoer – Een Slimme Verbinding voor Hout
Hettich KA 5740 draai-/schuifdeurbeslag
Draaiplateaus en Draaischijven
RVS Scharnier met 270 Graden Openingshoek
Tafelpootverhogers
Producten
Afwerkranden voor plaatmaterialen
Balkontafelscharnier
Beslag voor bedden
Beuken deuvels en stokken
Binnendeursloten
Bureau & Tafelpootverhogers
Cilinderslot meubeldeuren
Deurvastzetter met magneet
Diversen
Discussloten 70mm RVS
Dwarsmoeren / Kruismoeren
Draaiplateaus, Draaischijven, Draaikrans
Deurklinken
Intersteel deurbeslag
Deurkrukken op rozet
Deurkruk op langschild
Andere merken
Deur en Raam scharnieren
Argenta paumelles
Blokscharnieren
Bommerscharnieren, Deurveerscharnieren
Franse paumellescharnieren
Glijlagerscharnieren SKG***
Inboorpaumelle vernikkeld
Kogellagerscharnieren
Kogelstiftpaumelle
Lasscharnieren - Aanlaspaumelles
Oploopscharnieren RVS
Projectscharnieren 270graden
RVS scharnieren A4/316
Scharnieren met losse pen
Saloondeurscharnieren
Scharnieren met vaaskop
Etiketgrepen
Gereedschap
Greepadapters Hettich
Gasveren
Hettich TopLine 1 - Loopdeel
Hoekverbinders
Handgrepen
Koelkast scharnieren
Klepbeslag, Klepscharnieren, Klepsteunen
Kastverbinders,
Kastverbinders Rastex 15
Koppelbout / verbindingsschroef
Solid MF Verbindingsbeslag
Kistbeslag
Ladegeleiders
Blum Tandem Blumotion 30kg
Blum Tandem Tip On 30kg
Bodem / Legplankgeleiders
Draaideursysteem KA 5740
Eurogeleiders met push to open - 30kg
Eurogeleiders met softclosing - 30kg
Grass Dynapro 40kg
Grass Scala lade - Xpert Line
Ladeverdelers
Ladegeleider 17 x 10mm -Kunststof
Ladegeleider 17 x 10mm - 10kg
Ladegeleider 27 x 10mm - 15kg
Ladegeleider 45 x 12,7mm - 40kg
Ladegeleider 53 x 19mm - 100kg
Ladegeleider 58 x 19mm - 90kg
Ladegeleider 77 x 19,3 mm - 200kg
Ladegeleiders Blum Movento
Ladegeleiders Blum Movento Tip On
Ladegeleiders Grass t.b.v. uittrekplateau
Ladekast Renovatie
Ladesets Slimbox
Rolgeleiders Wit 25kg belastbaar
Toetsenbord / keyboard geleiders
Lijmen - reinigen - smeren
Legplankdragers
Meubelscharnieren
Boormallen
Balkontafelscharnier
Caravan & Camper
Kunststof scharnieren
Louvredeurscharnieren
Meubel inboorpaumelles
Mirro spiegelscharnier
Potscharnieren
RVS projectscharnier 270 graden
Scharnier voor glazen deuren
Smalscharnier met vaste & losse pen
Meubelscharnier schroefbaar
Magneetsnappers en Snappers
Meubelpootjes kunststof
Meubelpoten
Push to open
Roosters
Sale
Schroeven en bitsets
Stelpoten voor keuken 35mm
Speciale Scharnieren
Sleutellabels
Tafelverhogers & Tafelpootverhogers
Trapscharnieren
Tafelpoten
Uitvulplaatjes
Veiligheidsbeslag SKG
Diversen SKG beslag
Kogelstiftpaumelle SKG
Kogellagerscharnieren SKG
Profielcilinders SKG
Raambeslag SKG
Veiligheidsschilden knop/kruk SKG
Veiligheidsschilden kruk/kruk SKG
Veiligheids sloten SKG
Wielen, Zwenkwielen, Bokwielen
Account
Zoeken
0
Verlanglijst
0
Winkelwagen
Home
»
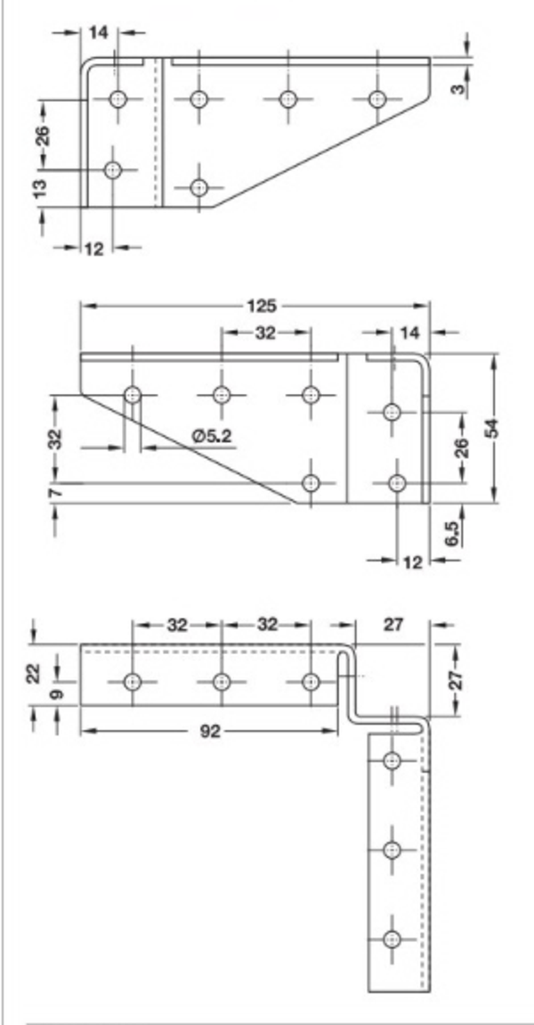
Tafelhoekplaat met schroefgaten zijkant - 125x125x54mm
Tafelhoekplaat met schroefgaten zijkant - 125x125x54mm
€ 7,95
Aantal
In winkelwagen
Artikelnummer:
6008-20-64101911
📌 De prijs is incl. 21% btw.
Tafelhoekplaat met schroefgaten zijkant - 125x125x54mm
Staal verzinkt