Toetsenbord geleiders / keyboard geleiders KA3434 - 30cm

€ 48,95
Artikelnummer: 3210-15-999.077800

Prijs is incl.BTW

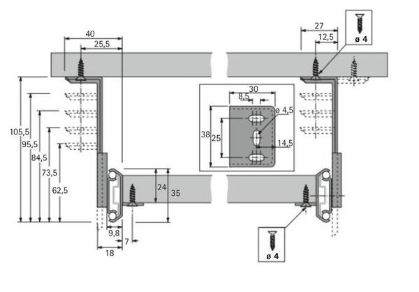
De KA 3434 kogelgeleiders is een gedeeltelijk uittrekbare precisiegeleider met teruglooparrêtering en uitlooppreventie. Geschikt voor toetsenbordplateaus, schuifladen en legplanken. Variabele bouwhoogte van 62,5 tot 105,5 mm via 5 stappen.

  • Belastbaar tot 20kg
  • Lengte 30cm
  • Uitrekverlies 10.3cm
  • Metaal verzinkt